單流束旋翼液封式冷水表CD74TRP-(15~25)E
                    
                        
                        
                        
	
	  CD74TRP系列水表是旋翼式、單流束、液封式直讀水表。適宜家庭使用。銅外殼,外表面采用抗腐蝕材料處理,無泄漏。計量等級符合GB/T 778-1996標準的B級。
工作條件:
*水壓:不大于1.6MPa(16bar)
*水溫:不超過50℃(冷水),90℃(熱水)
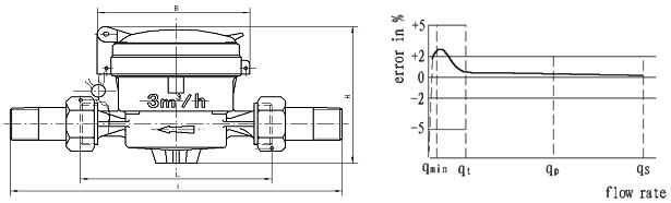
示值誤差:
從分界流量到過載流量為±2%(冷水)、±3%(熱水);
從最小流量到分界流量(不包括分界流量)為±5%.
參數尺寸 SPECIFICATION AND OVERALL DIMENSIONS 
	
		
			
				| 
					 
						名稱 Description
					 
				 | 
				
					 
						單位 
UNIT
					 
				 | 
				
					 
						技術參數與尺寸  
HYDRAULIC DATA AND DIMENSIONS
					 
				 | 
			
			
				| 
					 
						口徑 SIZE
					 
				 | 
				
					 
						mm
					 
				 | 
				
					 
						15
					 
				 | 
				
					 
						20
					 
				 | 
				
					 
						25
					 
				 | 
			
			
				| 
					 
						inch
					 
				 | 
				
					 
						1/2
					 
				 | 
				
					 
						3/4
					 
				 | 
				
					 
						1
					 
				 | 
			
			
				| 
					 
						流通能力 Rated capacity-Q
					 
				 | 
				
					 
						m3/h
					 
				 | 
				
					 
						3
					 
				 | 
				
					 
						5
					 
				 | 
				
					 
						7
					 
				 | 
			
			
				| 
					 
						過載流量(qs)Overload flow-rate(qs)
					 
				 | 
				
					 
						m3/h
					 
				 | 
				
					 
						3
					 
				 | 
				
					 
						5
					 
				 | 
				
					 
						7
					 
				 | 
			
			
				| 
					 
						常用流量(qp)Permanent flow-rate(qp)
					 
				 | 
				
					 
						m3/h
					 
				 | 
				
					 
						1.5
					 
				 | 
				
					 
						2.5
					 
				 | 
				
					 
						3.5
					 
				 | 
			
			
				| 
					 
						分界流量(qt)Transitional flow-rate(qt)
					 
				 | 
				
					 
						m3/h
					 
				 | 
				
					 
						0.12
					 
				 | 
				
					 
						0.2
					 
				 | 
				
					 
						0.28
					 
				 | 
			
			
				| 
					 
						最小流量(qmin)Minimun flow-rate(qmin)
					 
				 | 
				
					 
						m3/h
					 
				 | 
				
					 
						0.03
					 
				 | 
				
					 
						0.05
					 
				 | 
				
					 
						0.07
					 
				 | 
			
			
				| 
					 
						每天最大累積用水量 Max. daily flow-Eg
					 
				 | 
				
					 
						m3
					 
				 | 
				
					 
						9
					 
				 | 
				
					 
						15
					 
				 | 
				
					 
						21
					 
				 | 
			
			
				| 
					 
						最大工作壓力 Max. working pressure
					 
				 | 
				
					 
						Mpa
					 
				 | 
				
					 
						1.6
					 
				 | 
				
					 
						1.6
					 
				 | 
				
					 
						1.6
					 
				 | 
			
			
				| 
					 
						最大讀數 Max. reading
					 
				 | 
				
					 
						m3
					 
				 | 
				
					 
						99999.9999
					 
				 | 
				
					 
						99999.9999
					 
				 | 
				
					 
						99999.9999
					 
				 | 
			
			
				| 
					 
						最小讀數 Min. reading
					 
				 | 
				
					 
						m3
					 
				 | 
				
					 
						0.00005
					 
				 | 
				
					 
						0.00005
					 
				 | 
				
					 
						0.00005
					 
				 | 
			
			
				| 
					 
						L
					 
				 | 
				
					 
						mm
					 
				 | 
				
					 
						110
					 
				 | 
				
					 
						130
					 
				 | 
				
					 
						160
					 
				 | 
			
			
			
			
				| 
					 
						I
					 
				 | 
				
					 
						mm
					 
				 | 
				
					 
						190
					 
				 | 
				
					 
						230
					 
				 | 
				
					 
						280
					 
				 | 
			
			
			
			
				| 
					 
						H
					 
				 | 
				
					 
						mm
					 
				 | 
				
					 
						89
					 
				 | 
				
					 
						89
					 
				 | 
				
					 
						89
					 
				 | 
			
			
				| 
					 
						B
					 
				 | 
				
					 
						mm
					 
				 | 
				
					 
						88
					 
				 | 
				
					 
						88
					 
				 | 
				
					 
						88
					 
				 | 
			
		
	
    外形尺寸 OVERALL DIMENSIONS                    流量誤差曲線 FLOW-ERROR CURVE